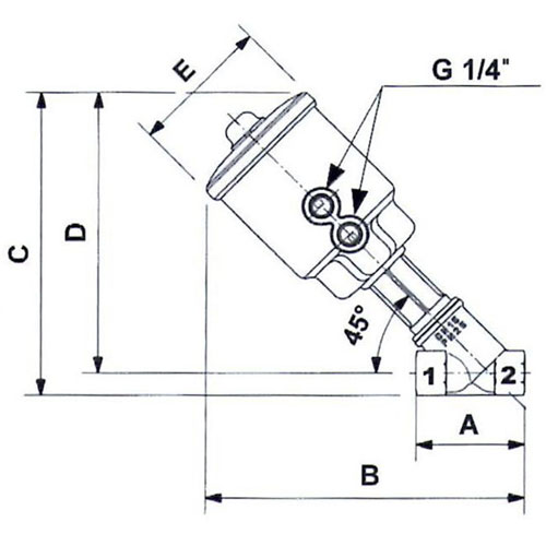
Y 型蒸气阀
- 适用流体:水、油、空气、蒸气、侵蚀性流体
- 流质温度:-10°C~ 180°C
- 阀体材质:AISI316L 不鏽钢
- 止漏油封:PTFE 铁弗龙
- 真 空 度:10-2mbar
- 最大蒸气工作压力:10bar
分享
高鹿专业代理英国 SPIRAX SARCO 集团下专门设计製作 2/2 位阀及 Y 型蒸气阀的专业厂商 M&M。Y 型蒸气阀适用于各种流体例如水、油、空气、蒸气、腐蚀性流体等。流质温度为 -10°C~ 180&deC;PTFE 铁弗龙的止漏油封;阀体为 AISI316L 不鏽钢材质;真空度为 10-2mbar;最大蒸气工作压力 10bar

| Valve | 口径 | DN | 流量(Kvs) | 工作压力(bar) | |
|---|---|---|---|---|---|
| 型号 | [ISO 228G] | mm | l/min | Min | Max |
| BPG205STW00 | 1/2" | 15 | 87 | 0 | 16 |
| BPG206STX00 | 3/4" | 20 | 164 | 0 | 16 |
| BPG207STY00 | 1" | 25 | 260 | 0 | 16 / 11 |
| BPG208STZ00 | 1 1/4" | 32 | 410 | 0 | 16 / 6 |
| BPG209STK00 | 1 1/2" | 40 | 700 | 0 | 12 / 4 |
| BPG210STJ00 | 2" | 50 | 950 | 0 | 8 / 2.5 |
| BPG207LTY00 | 1" | 25 | 260 | 0 | 16 / 14 |
| BPG208LTZ00 | 1 1/4" | 32 | 410 | 0 | 16 / 12 |
| BPG209LTK00 | 1 1/2" | 40 | 700 | 0 | 16 / 8 |
| BPG210LTJ00 | 2" | 50 | 950 | 0 | 14 / 6 |
| Valve | 流通方向 | 引导压力(bar) | 执行器 ø | |
|---|---|---|---|---|
| 型号 | -- | Min | Max | mm |
| BPG205STW00 | 1→2 / 2→1 | 5.5 / 3.8 | 10 | 63 |
| BPG206STX00 | 1→2 / 2→1 | 6 / 3.8 | 10 | |
| BPG207STY00 | 1→2 / 2→1 | 6.5 / 3.8 | 10 | |
| BPG208STZ00 | 1→2 / 2→1 | 6.8 / 3.8 | 10 | |
| BPG209STK00 | 1→2 / 2→1 | 9 / 3.8 | 10 | |
| BPG210STJ00 | 1→2 / 2→1 | 9 / 3.8 | 10 | |
| BPG207LTY00 | 1→2 / 2→1 | 4 / 3.3 | 8 | 90 |
| BPG208LTZ00 | 1→2 / 2→1 | 5 / 3.3 | 8 | |
| BPG209LTK00 | 1→2 / 2→1 | 6 / 3.3 | 8 | |
| BPG210LTJ00 | 1→2 / 2→1 | 8 / 3.3 | 8 | |